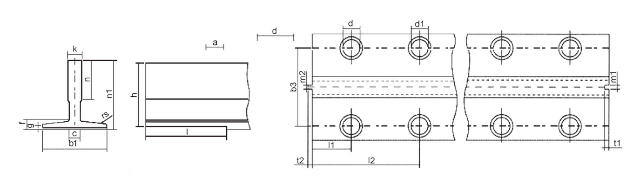
| Type | b1 | h1 | h | k | n | c | g | f | rs | m1 | m2 | t1 | t2 | l | l1 | L2 | b3 | d | d1 |
|---|---|---|---|---|---|---|---|---|---|---|---|---|---|---|---|---|---|---|---|
| Tolerance | |||||||||||||||||||
| ±1.5 | ±0.75 | ±0.1 | +0.1 0 |
+3 0 |
±0.75 | +0.06 0 |
0 -0.06 |
±0.1 | ±0.1 | +3 0 |
±0.2 | ±0.2 | ±0.2 | ||||||
| T70-1/B | 70 | 65 | 64 | 9 | 34 | 6 | 6 | 8 | 1.5 | 3 | 2.95 | 3.5 | 3 | 128 | 25 | 105 | 42 | 13 | 13 |
| T82/B | 82.5 | 68.25 | 66.6 | 9 | 25.4 | 7.5 | 7.5 | 8.25 | 3 | 3 | 2.95 | 3.5 | 3 | 111 | 27 | 81 | 50.8 | 13 | 26 |
| T75-3/B | 75 | 62 | 61 | 10 | 30 | 8 | 7 | 8 | 3 | 3 | 2.95 | 3.5 | 3 | 123 | 30 | 90 | 43 | 13 | 26 |
| T78/B | 78 | 56 | 55 | 10 | 25 | 8 | 7.5 | 8.5 | 3 | 3 | 2.95 | 3.5 | 3 | 163 | 38 | 90 | 50 | 14 | 28 |
| T89/B | 89 | 62 | 61 | 15.88 | 33.4 | 10 | 7.9 | 11.1 | 3 | 6.4 | 6.37 | 7.14 | 6.35 | 156 | 38.1 | 114.3 | 57.2 | 13 | 26 |
| T90/B | 90 | 75 | 74 | 16 | 42 | 10 | 8 | 10 | 4 | 6.4 | 6.37 | 7.14 | 6.35 | 156 | 38.1 | 114.3 | 57.2 | 13 | 26 |
| T114/B | 114 | 89 | 88 | 16 | 38 | 10 | 8 | 12 | 4 | 6.4 | 6.37 | 7.14 | 6.35 | 156 | 38.1 | 114.3 | 74 | 17 | 33 |
| T127-1/B | 127 | 88.9 | 88 | 15.88 | 44.5 | 10 | 7.9 | 11.1 | 4 | 6.4 | 6.37 | 7.14 | 6.35 | 156 | 38.1 | 114.3 | 79.4 | 17 | 33 |
| T127-2/B | 127 | 88.9 | 88 | 15.88 | 50.8 | 10 | 12.7 | 15.9 | 5 | 6.4 | 6.37 | 7.14 | 6.35 | 156 | 38.1 | 114.3 | 79.4 | 17 | 33 |
| T140-1/B | 140 | 108 | 107 | 19 | 50.8 | 12.7 | 12.7 | 15.9 | 5 | 6.4 | 6.37 | 7.14 | 6.35 | 193 | 31.8 | 152.4 | 92.1 | 21 | 40 |
| T140-2/B | 140 | 102 | 101 | 28.6 | 50.8 | 17.5 | 14.5 | 17.5 | 5 | 6.4 | 6.37 | 7.14 | 6.35 | 193 | 31.8 | 152.4 | 92.1 | 21 | 40 |
| T140-3/B | 140 | 127 | 126 | 31.75 | 57.2 | 19 | 17.5 | 25.4 | 5 | 6.4 | 6.37 | 7.14 | 6.35 | 193 | 31.8 | 152.4 | 92.1 | 21 | 40 |
