
In the world of precision engineering and vertical transportation, the guide rail is an indispensable component. Whether it is ensuring the smooth movement of a CNC machine or providing the backbone for a high-speed elevator, the performance of these systems hinges on one critical factor: Classification Type.
Selecting the right guide rail classification isn't just a technical detail—it is a decision that affects the load capacity, lifespan, and safety of the entire machinery. From machined guide rails to hollow guide rails and cold drawn guide rails, the classification types define the operational boundaries of the system.
In this guide, we will dive deep into the three main categories of guide rails, with a special focus on how these choices impact high-demand industries like elevator manufacturing, supported by experts like Panda Elevator Parts.

Guide rails can be classified into three main categories based on their manufacturing process and structural characteristics. Each type offers distinct advantages suited for different applications:
Expert Tip: For high-rise elevator applications, the guide rail classification determines passenger comfort. Any mismatch between rail type and application can manifest as vibrations inside the cabin.
Let's explore each guide rail classification in detail with specifications and typical applications.

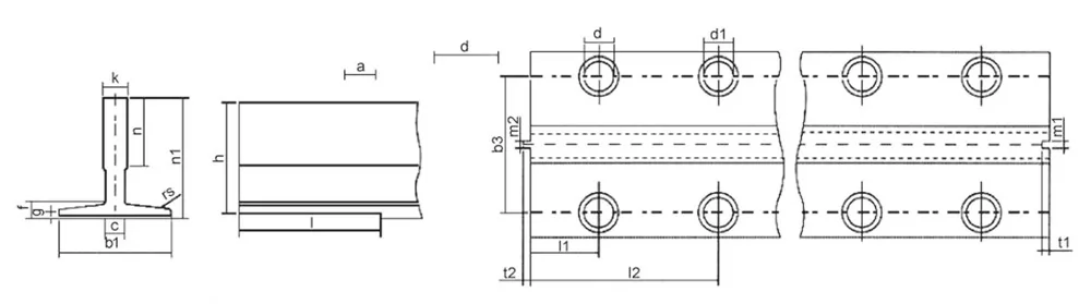
Machined guide rails are precision-engineered components manufactured through CNC machining processes. These rails offer superior surface smoothness and dimensional accuracy, making them essential for high-rise, high-speed elevators to ensure a vibration-free and comfortable ride.
Key Features:
Parameters - Machined Guide Rail


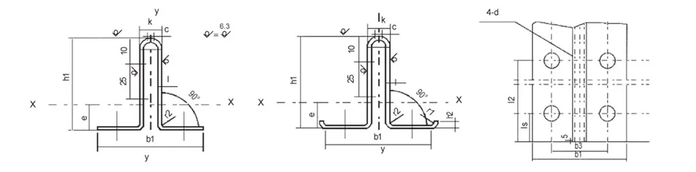
Hollow guide rails feature a hollow interior structure that significantly reduces weight while maintaining excellent load-bearing capacity. This innovative design is ideal for modern elevator systems where weight reduction is crucial for energy efficiency and cost savings.
Key Features:
Parameters - Hollow Guide Rail:


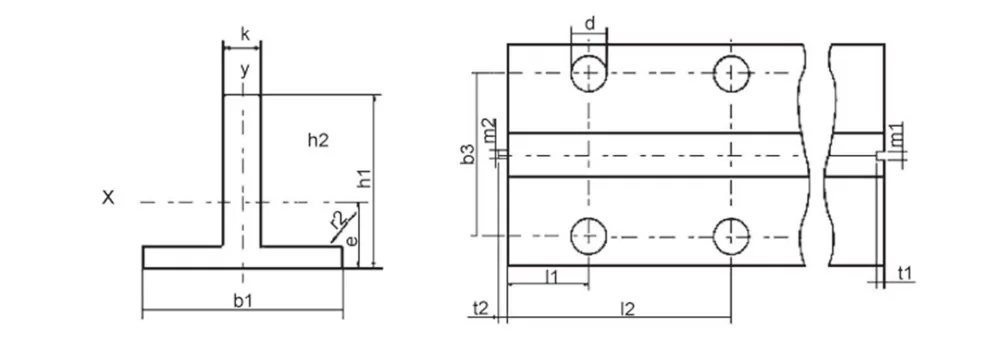
Cold drawn guide rails are manufactured through a cold working process that enhances their tensile strength without heat treatment. These rails are typically used for lower-speed elevators and provide a cost-effective solution with good structural integrity.
Key Features:
Parameters - Cold Drawn Guide Rail:


To help you make an informed decision, the following table compares the three guide rail classifications based on their key characteristics and typical applications.
| Classification Type | Manufacturing Process | Surface Finish | Load Capacity | Best Use Case |
|---|---|---|---|---|
| Machined Guide Rail | CNC Machining | Excellent | High | High-rise, High-speed Elevators |
| Hollow Guide Rail | Hollow Extrusion + Machining | Good | High | Modern Buildings, Energy Efficiency |
| Cold Drawn Guide Rail | Cold Drawing | Good | Medium-High | Lower-speed Elevators, Industrial |
Note: Specific parameters may vary depending on the manufacturer and application requirements.
Selecting the perfect guide rail classification is a balancing act between performance requirements and budget considerations. Consider these three factors before finalizing your selection:
1. Speed and Height Requirements
Is the application for a high-rise, high-speed elevator? If yes, Machined Guide Rail is essential for superior surface smoothness and dimensional accuracy. For standard or lower-speed applications, Cold Drawn Guide Rail offers excellent value.
2. Weight and Energy Efficiency
Modern building designs often prioritize energy efficiency. If reducing the overall elevator weight is a priority, Hollow Guide Rail provides the perfect balance of lightweight design and strong load-bearing capacity.
3. Budget and Application
Each classification offers different cost-benefit profiles. For premium high-rise applications requiring the smoothest ride, machined rails are worth the investment. For cost-sensitive projects with standard requirements, cold drawn rails provide reliable performance. The specialists at Panda Elevator Parts can help you select the optimal classification for your specific needs.
Understanding guide rail classification types is the first step in ensuring the longevity and performance of your elevator system. While Machined Guide Rail remains the gold standard for high-rise applications, Hollow Guide Rail offers excellent benefits for modern energy-efficient buildings, and Cold Drawn Guide Rail provides cost-effective solutions for standard applications.
In the elevator sector, the quality and appropriate selection of guide rails is not just a performance metric—it is a safety requirement. High-quality guide rails, precisely manufactured to their classification standards, ensure that every journey is smooth, quiet, and secure.
Q1: Can I use cold drawn guide rails for high-speed elevators?
A: While cold drawn guide rails offer good tensile strength, they are generally not recommended for high-speed, high-rise elevators. Machined guide rails provide the superior surface finish and dimensional accuracy required for smooth, vibration-free operation at high speeds.
Q2: What are the advantages of hollow guide rails over solid rails?
A: Hollow guide rails offer significant weight reduction (typically 20-30% lighter) while maintaining excellent load-bearing capacity. This translates to reduced energy consumption, lower building structure requirements, and cost savings in modern elevator installations.
Q3: Are elevator guide rails standardized internationally?
A: Yes, guide rails must meet international safety standards such as ISO 7465. These standards specify requirements for dimensional accuracy, surface finish, and material properties for each classification type. At Panda Elevator Parts, all guide rails meet or exceed these stringent requirements.

At Panda Elevator Parts, we specialize in providing high-performance guide rails across all three classifications. Whether you need machined guide rails for high-rise buildings, hollow guide rails for energy efficiency, or cold drawn guide rails for standard applications, our team is here to ensure you get the right classification for the right application.

